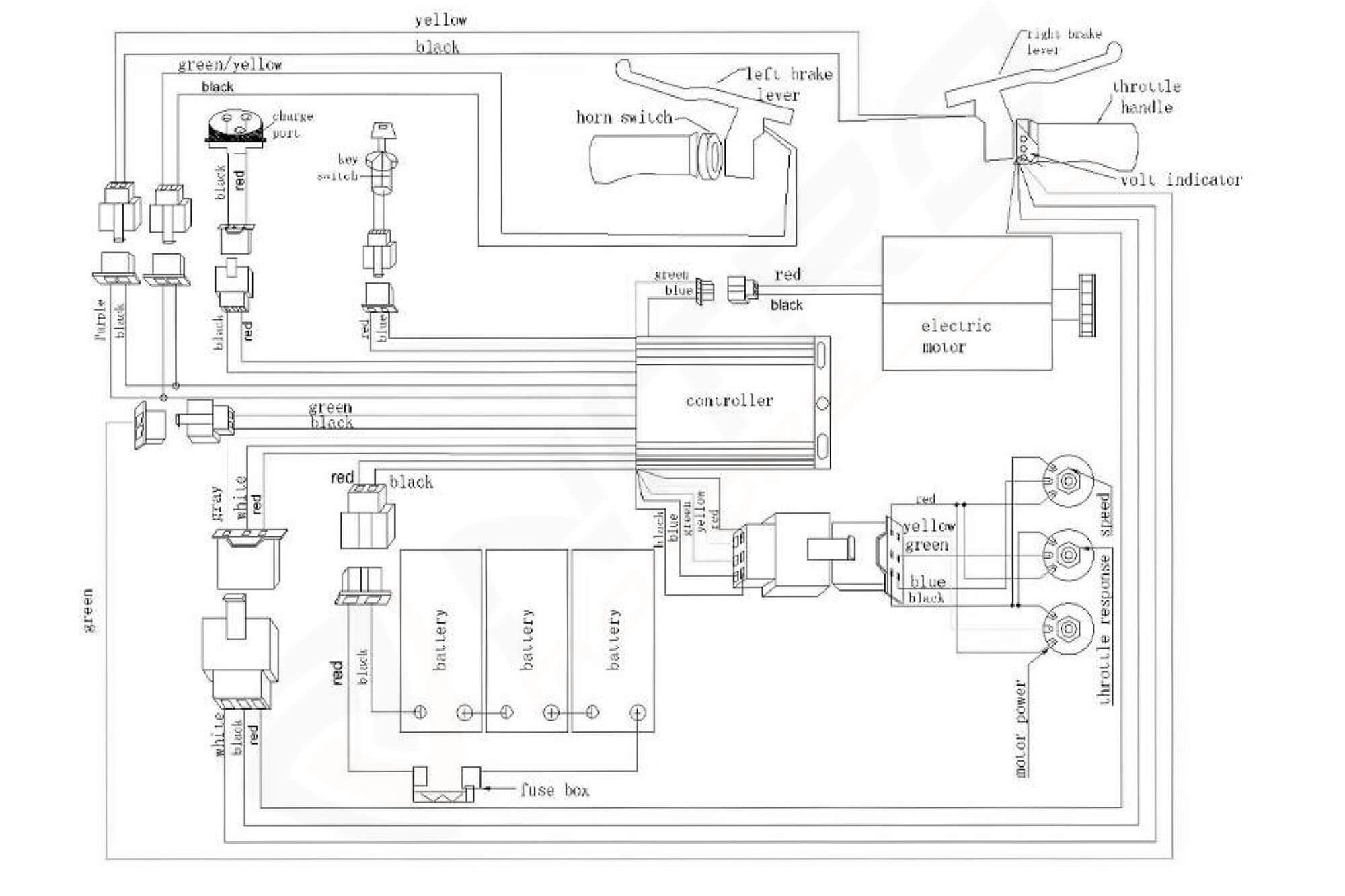
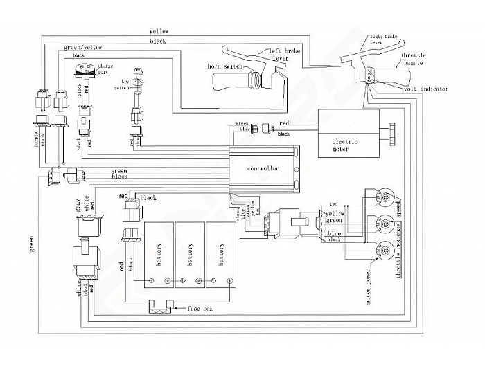
The 49cc Gazelle Dirt Bike is one of our bestselling dirt bikes. From factory the Gazelle 49cc dirt bike is equiped with upgraded clutch and 15mm carburetor.
............
............
............
............
............
............
............
............
To help our customers assemble and maintain their new bikes, in 2013 we created "Mini Bikes Store" YouTube channel.
On our YouTube Channel you will find many useful videos about our products like: product review videos, instructions how to assemble, service and repair, but also videos when we test our products.
Your shopping cart is empty!
.jpg)
